新聞中心
產品中心
聯系我們
深圳市東么川伺服控制技術有限公司
電話:13316379101
郵箱:1355229533@qq.com
地址:深圳市龍華區民治街道樟坑社區青創城A棟B502
閉環步進驅動器?-伺服驅動器DHS882說明書
發布時間:2020-08-08 06:53:34
閉環步進驅動器?DHS882產品特性
?·采用全新32位電機控制專用DSP芯片;·采用先進的矢量型閉環控制技術;
·具有梯形波測試功能;
?·靜態電流和動態電流可以任意設置(0-8.2A范圍內);
·可驅動86系列混合伺服電機;
·光耦隔離差分信號輸入;
·脈沖響應頻率最高可達200KHZ;
·細分任意設定(1--512范圍內);
·具有過流、過壓和跟綜誤差超差等保護;?
閉環步進驅動器?DHS882概述
?DHS882是一款新型簡易伺服驅動器,采用最新專用電機控制DSP芯片和應用矢量型閉環控制技術,從而徹底克服開環步進電機丟步的問題,同時也能明顯提升電機的高速性能、降低電機的發熱程度和減小電機的振動,從而提升機器的加工速度和精度降低機器的能耗。在電機連續過載時,驅動器會輸出報警信號,具有與交流伺服系統同樣的可靠性。安裝尺寸小性價比高?。
DHS882 閉環步進驅動器安裝尺寸圖:

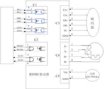
DHS882 閉環步進驅動器接線圖

驅動器接口與接線介紹
1)電機和電源輸入端口

?2)編碼器信號輸入端口

3)控制信號端口?

信號波形時序圖?

注釋∶?1)t1∶ENA(使能信號)應提前DIR至少5us,確定為高。一般情況下建議ENA+和ENA-懸空即可。
2)t2∶DIR至少提前PUL下降沿5μs確定其狀態高或低。
3)t3∶脈沖寬度至少不小于6.4us。
4)t4∶低電平寬度不小于6.4us。?
4)RS232通訊端口
RS232接口引腳排列定義見下圖2所示∶
?
撥碼開關設定?
DHS882驅動器采用六位撥碼開關設定細分精度、控制信號有效沿和電機旋轉方向設定,詳細描述如下∶?

細分設定

驅動器參數設置
?DHS882混合伺服驅動器的參數設置必須通過PC機的RS232串行通訊口,采用專用調試軟件完成參數設置,驅動器內部存有一套對應電機最佳的默認出廠配置參數,用戶只須按照具體使用情況調整驅動器內部細分數即可,詳細使用情況請參看DMC2調試軟件的使用說明。具體可調整參數及功能見下表∶?

產品推薦:兩相步進電機
產品推薦:無刷電機
產品推薦:兩相步進驅動器
產品推薦:直流無刷驅動器




























地址 ADDRESS