新聞中心
產品中心
聯系我們
深圳市東么川伺服控制技術有限公司
電話:13316379101
郵箱:1355229533@qq.com
地址:深圳市龍華區民治街道樟坑社區青創城A棟B502
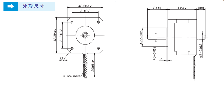
42兩相步進電機-42步進電機尺寸、參數詳細
發布時間:2020-08-04 07:04:41
產品推薦:兩相步進電機
產品推薦:無刷電機
產品推薦:兩相步進驅動器
產品推薦:直流無刷驅動器
深圳市東么川伺服控制技術有限公司
電話:13316379101
郵箱:1355229533@qq.com
地址:深圳市龍華區民治街道樟坑社區青創城A棟B502
技術支持 SUPPORT銷售咨詢:15002093712
售后熱線:13410000132
郵箱:1355229533@qq.com
版權歸東么川伺服控制技術有限公司所有,未經書面許可,本網站內容不得被復制或抄襲用作任何目的
步進驅動器,電機驅動器,步進電機,步進電機驅動器,無刷電機,直流無刷電機,減速步進電機
掃一掃,獲取方案和報價































